18年環保設備和機械加工生產經驗,應用於各大電廠、鋼廠、農業、市政、工業
谘詢熱線:
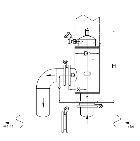
原理概述
此係列的經濟型水動過濾器,結合高品質過濾的優勢和自清潔功能,從不同水源(汙水,水庫,河流,湖泊,等)weikehutigongchixudegongshui。gaiguolvqikezaigongye,shizhengheguangaiyingyongfangmiantouruguangfandeshiyong。qizhuyaobujianshiyigeyoubuxiugangzhichengdejuyoujiaodakaifangmianjidelvwang,yichengshougaowufuheheyali。dangguolvqideyacha(△P)達到預設值[0.5bar(7psi)]shi,jiangjinxingziqingjie。paiwufadakai,yalitongguoyeyasaishifang,shuiliutongguopaiwufapaichu。yeyamadashihexiwuguanneibudeyalidafujiangdi,yeyamadadaidongxiwuguanjixizuijinxingxuanzhuanbingchuizhiyidong,tongguoxizuijiangwuwuxichu,qingjiezhenggelvwangdeneibi。chongxiguochengxuyao5秒。過程結束時,排汙閥關閉,過濾器為潔淨狀態。在整個清洗過程中供水不間斷.

1、液壓活塞 2、殼體 3、排汙閥 4、排汙室 5、液壓馬達
7、濾網 8、吸汙軸 9、吸嘴 10、壓力表 11、控製器
標準
單台處理水量:10~200m3/h
最小工作壓力:2bar(30psi)
工作壓力:≤10bar(150psi),≤16bar
過濾器清潔時的壓力損失:0.1bar(2psi)
工作水溫:≤65oC(149oF)
過濾精度範圍:25-400微米
自清洗所需水量:2-4"過濾器,-8升;4S-8"過濾器,-25升
自清洗時間:5秒鍾
自清洗控製方式:壓差、時間及手動
電控方式:直流12V;交流24V
過濾器自清洗完全依靠係統管線內的水壓,無需外部動力
技術參數

安裝尺寸

特殊應用
Ø 工作壓力:可達16 bar.
Ø 工作水溫:≤95⁰C.
Ø 防霜凍:用於寒冷氣候條件下的特殊控製係統。
Ø 電壓:110 V,220 V,單相,24 V和太陽能。
